Photographer Suren Manvelyan has produced an amazing collection of photographs of eyes over the last couple of years. He started with a phenomenal set of images from human eyes and has now expanded his collections to include 3 sets of animal eyes. Part 1, Part 2 and now Part 3. Spending some time looking through …
Portrait: Ethan Hudson Peterson

Metabolomic Eye In NIH Audacious Goals

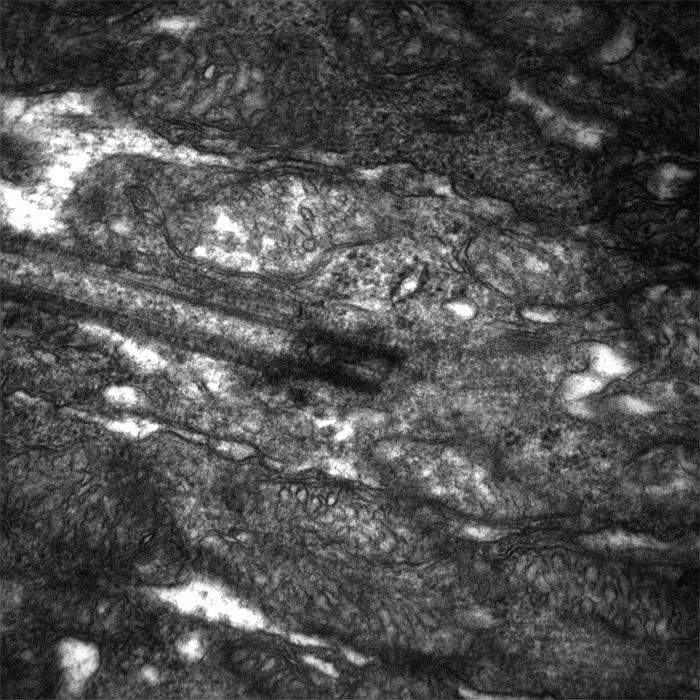
Photoreceptor Cilium Tilt Series

Portrait: Ann Morris

Why Do We Have Blind Spots… And How To See The Blood Vessels Inside Your Own Eye
A Lo-Fi video, but largely correct and a pretty well done explanation of why we have blind spots in our eyes and the general physiological reason for why we don’t typically “see” or notice our blind spots.
Visualized Transforms

The Other Side Of The Potomac

A Different Lens
Jery October has put together a supercut/short film of a montage of eyes in cinema set to Jackson Browne’s Doctor My Eyes. The short was edited by Bob Joyce and presented at the Society of Camera Operators Lifetime Achievement Awards ceremony which benefitted The Vision Center at Childrens Hospital Los Angeles. It starts with City Lights, one of …
CMP and Connectomics Work Featured On NIH Directors Blog

Portrait: Josh Cates

Color Perception And Your Retina

Yearly Eye Exam

The AII Amacrine Cell Connectome: A Dense Network Hub
